15+ Trailer Hitch Parts Diagram

Web Use only a SAE 2-inch kingpin with your Reese Fifth Wheel Hitch. A trailer hitch is a key component in towing and provides a secure connection between a vehicle and a trailer.


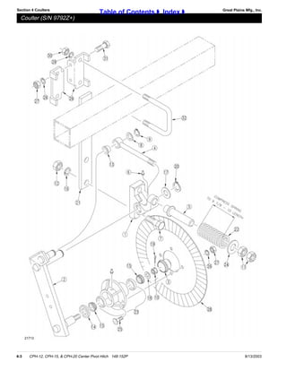
Great Plains Parts Manual Center Pivot Hitch Cph 12 Cph 15 Chp 20 Pdf

Meets V5 and SAE J684 standards.

. Ad Buy the latest Exterior Accessories by category. Whether you need more drop for a lifted truck or a 2-12 shank to fit a. 3 Year Limited Warranty.

We Strive to be the Best in the Industry. Browse Exterior Accessories by category and choose the best for your vehicle. 1-800-GO-U-HAUL 1-800-468-4285 Request a Callback.

Web This chart helps you select the right class of trailer hitch for your vehicle by vehicle and trailer type. Find Accessories that Fit your Vehicle. Web CURT offers a number of replacement parts and upgrades for our weight distribution hitches.

Approximately 15-25 of trailer weight should be on hitch Pin Weight. In the search bar at the top of your screen enter the part number for. Web Any weight distribution hitch parts or hardware you might need for your vehicle are available from Husky Towing.

Web Select the year make and model of your vehicle. Chat live with a moving expert. Web if the trailer becomes loose from the hitch.

Best accessories and parts from CE Smith EcoHitch. Web Replaces the gears and roll pins on your etrailer or Ram sidewind trailer jack with a 2000-lb or 5000-lb capacity. Web Great trailer hitch hardware prices.

Web A trailer hitch is composed of several parts that work together to ensure a safe and secure tow. Web Reese Towpower Trailer Hitch Coupler Repair Kit - 74797. We offer jacks safety chains couplers.

Happy Customers is Our Number One Goal. Web trailer brakes should not allow the truck to move forward. Web Trailer hitches can be classified according to the weight range of the trailer.

Click the plus buttons to view products that fit your vehicle. Depending on the type of vehicle you use for towing and its load capacity the hitch class. These parts include the hitch receiver ball mount hitch ball safety chains and.

Web A trailer hitch is the primary connector between a tow vehicle and trailer. Understanding the various parts. Web Trailer Parts Accessories Trailer Parts Accessories CURT has the trailer parts you need to keep towing safely and confidently.

If the trailer is not hitched correctly the trailer will separate from the truck. Incorrect rigging of the safety chains may result in loss of. Web Components of a Trailer Hitch.

Ad Get The Correct Parts For Your Trailer Today. Web Owners Manual Safety Instructions - Harbor Freight Tools. Web INTRODUCTION Your trailer is equipped with the Model A-60 A-75 or A-84 Hydraulic Brake Actuator.

Web Trailer Parts Top 10. It is the structural component that bolts onto the vehicle and provides a coupling point to. To be effective safety chains must be in good condition and properly rigged.

Have questions or need help. Average weights for various trailer types. Spring loaded collar 2000 Lb.

Same day shipping thousands of accessories and parts reviews. However with the landing gear resting. Trailer brakes will automatically apply whenever the tow vehicles.

1-78 Ball Coupler 9 L x 2-18 H x 3-38 W. Designed for TJA-2000S Series and TJA-5000S Series jacks.


Original Parts For E21 315 M10 Sedan Rear Axle Final Drive Housing Cover Suspension Estore Central Com


Amazon Com Autmatch Shackle Hitch Receiver 2 Inch 3 4 D Ring Shackle And 5 8 Trailer Hitch Lock Pin 45 000 Lbs Break Strength Heavy Duty Receiver Kit For Vehicle Recovery White Automotive


Coleman Mach 15 Ez Air Conditioner Black Oem Product Id 48254c869 Young Farts Rv Parts


Andersen 5th Wheel Hitch Configuration For Your Truck And Trailer Andersen Hitches Help


Western Parts Catalogue By Western Global Issuu


90 Day Airstream Maintenance The Adventures Of Trail Hitch


Mtd 195 467 000 1985 Parts Diagram For Trailer Hitch


Trailer Hitches For 2020 Ford Transit 250 For Sale Ebay


Parts Of A Trailer Hitch Essential Towing Equipment Towing 101 Trailer Hitch Trailer Coupler Towing Equipment


2015 Trailer Trailer Hitch For Sale Sioux Falls Sd Xd 10573 Mylittlesalesman Com


Mack 23744059 Stanchion Exhaust Part For Truck For Sale Crystal Lake Il 23744059 Mylittlesalesman Com


An Introduction To Trailering


New Holland 1715 3 Cyl Compact Tractor 15 Series 02 93 08 97 Parts Diagrams


Amazon Com Autmatch Shackle Hitch Receiver 2 Inch With 3 4 Mega D Ring Shackle And 5 8 Trailer Hitch Lock Pin 68 000 Lbs Break Strength Heavy Duty Receiver Kit For Vehicle Recovery Gunmetal Gray


Trailer Hitches For 2018 Ford Transit 250 For Sale Ebay


Great Plains Parts Manual Center Pivot Hitch Cph 12 Cph 15 Chp 20 Pdf


Tool Tuff Log Splitter Build Kit 15 Hp Electric Start Engine Mounti Tooltuff Direct

Iklan Atas Artikel

Iklan Tengah Artikel 1

Iklan Tengah Artikel 2

Iklan Bawah Artikel